Description
Description
Elevate your heating control with the Heatmiser Slimline-RF Wireless Thermostat Kit. This comprehensive kit includes the Heatmiser Slimline-RF thermostat and the Heatmiser RF-Switch, offering a complete solution for efficient and convenient temperature management.
Heatmiser Slimline-RF ThermostatThe Heatmiser Slimline-RF thermostat is a versatile wireless thermostat compatible with the Heatmiser UH8-RF and RF Switch Wireless Receivers. With the ability to connect to a remote sensor, it allows temperature measurement up to 20 meters away from the thermostat, ensuring precise control and monitoring.
Key Features:
- Wireless Control: The Slimline-RF thermostat offers the freedom of wireless control, allowing you to mount it on the wall within 20 meters of open space from the receiver. This ensures convenient access to temperature adjustments in the area being controlled.
- Optional Repeater: Extend the wireless communication distance by utilizing the optional Heatmiser Boost repeater. This allows for reliable communication even in larger spaces or areas with obstacles.
- Key Lock Facility: Take advantage of the key lock feature to restrict access to the thermostat, promoting energy conservation and preventing unauthorized temperature adjustments.
- Self Learning Preheat: The Slimline-RF thermostat incorporates self-learning preheat functionality, calculating the optimal heat-up time required to reach the desired temperature at the scheduled time. This feature enhances comfort and energy efficiency.
- Compatibility: The Slimline-RF thermostat seamlessly integrates with the Heatmiser UH8-RF, RF Switch, and Boost, providing compatibility with various heating setups.
- Programmable Modes: Choose between heating-only or heating and hot water modes, catering to your specific heating requirements. The thermostat supports non-programmable mode, 5/2 day, and 7-day programming options for flexible temperature scheduling.
- 4 Comfort Levels per Day: Set up to four different comfort levels throughout the day, ensuring personalized temperature control and maximum comfort.
- Optimum Start: The thermostat's optimum start feature calculates the required heat-up time based on the desired temperature schedule, ensuring your space is comfortably heated at the right time while maximizing energy efficiency.
- Holiday Function: Plan your vacations without worrying about energy waste. The holiday function allows you to set a different temperature during your absence, saving energy while maintaining protection against freezing.
- Keylock Function: Enjoy enhanced control and security with the keylock function, preventing unauthorized access to the thermostat settings.
- Temperature Hold: Use the temperature hold feature to set a specific temperature for a defined duration. After the set time has elapsed, the thermostat returns to its regular programming, balancing comfort and energy conservation.
- Remote Air Sensor Connection: Connect a remote air sensor to the Slimline-RF thermostat, enabling temperature measurement in a different location for precise heating control.
- Wireless Fail Safe: The thermostat includes a wireless fail-safe mechanism, ensuring reliable communication between the thermostat and receivers, even in the event of temporary signal disruptions.
- Frost Protection: Protect your heating system and prevent freezing with the frost protection feature, maintaining a minimum temperature threshold to safeguard your pipes and equipment.
- °C/°F Option: Choose your preferred temperature unit by selecting between Celsius and Fahrenheit.
- Blue Backlight: The Slimline-RF thermostat features a blue backlight, providing clear visibility of the display. The backlight automatically turns off when not in use, conserving energy.
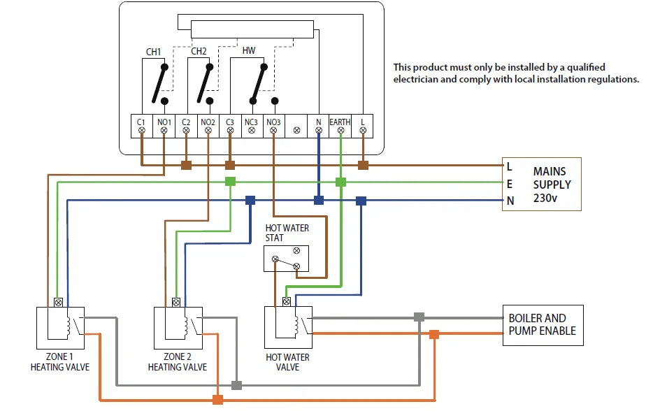
The Heatmiser RF-Switch is a surface-mount, 2-channel wireless receiver included in this kit. It is capable of controlling 2 heating zones and 1 hot water zone, providing flexibility and control over your heating system. The RF-Switch also offers a volt-free output for seamless integration with your boiler.
Upgrade your heating control with the Heatmiser Slimline-RF Wireless Thermostat Kit and enjoy wireless convenience, precise temperature control, and energy-efficient heating tailored to your needs.
Specifications
| Compatibility | Slimline-RF Touch-RF neoAir UH8-RF |
|---|---|
| no. Of Heating Zones | 2 |
| no. Of Hot Water Zones | 1 |
| Boiler Output | 1 |
| Mounting Type | Surface |
| Relay Load Max | 3a Resistive |
| Total Load Max | 9a Resistive |
| Supply | 230v Ac |
| Dimensions (l,h,d) | 108x90x24mm |
| Rf Frequency | 868Mhz |
|---|---|
| Rf Range | Up to 100M |
| App Data Range | NA |
| Power | 2 x AAA Batteries |
| Mounting Type | Wall |
| Dimensions | 85x98x24mm (LHD) |
| Operating Type | Button |
| Temperature Range | 05°-35°C |
| No. Heating Levels | 4 |
| No. Hw Times | 4 |
| IP Rating | IP20 |
Reviews
Reviews
Payment & Security
Payment methods
Your payment information is processed securely. We do not store credit card details nor have access to your credit card information.
Not sure where to start? Let us help!
Answer a few questions and we’ll get you on your way








